Мы используем cookie для наилучшего представления нашего сайта. Подробнее об этом в Политике конфиденциальности.
Ок

Коломна

Ваш город:
Коломна (Московская область)?
Нет
Да
Каталог
Каталог Написать в WhatsApp
Мотоэкипировка

Запчасти для квадроцикла AODES (ODES) 650 ATV-S

Запчасти для квадроцикла AODES (ODES) 650 ATV-S в Москве: актуальный каталог, цены, фото, описание. Купите запчасти для квадроцикла aodes (odes) 650 atv-s в кредит – оформите заявку онлайн за 1 минуту!
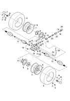
  • OK____ODES 650 ATV-S 2022
Для ускорения поиска, Ты можешь ввести здесь часть названия детали, например «Поршень»

On-line каталоги

Главная Магазины
Корзина0
Профиль