Мы используем cookie для наилучшего представления нашего сайта. Подробнее об этом в Политике конфиденциальности.
Ок

Коломна

Ваш город:
Коломна (Московская область)?
Нет
Да
Каталог
Каталог Написать в WhatsApp
Мотоэкипировка

Струбцина 2-Х ТАКТНОГО ПЛМ SEA-PRO T40P

Струбцина 2-Х ТАКТНОГО ПЛМ SEA-PRO T40P в Москве: актуальный каталог, цены, фото, описание. Купите струбцина 2-х тактного плм sea-pro t40p в кредит – оформите заявку онлайн за 1 минуту!

Оригинальные запчасти

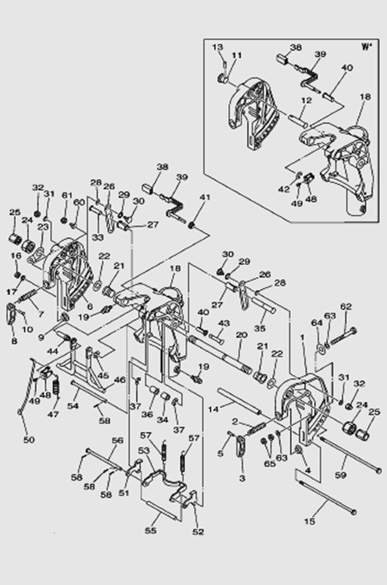
Артикул НАИМЕНОВАНИЕ Кол-во деталей в узле Примечание Наличие Цена Аналоги Фото
1 PNFMH40-13001 Скоба струбцины левая

Под заказ

1

Под заказ

уточнить

Купить
2 PNFMH40-13002 Зажим винтовой струбцины

Под заказ

2

Под заказ

уточнить

Купить
3 PNFMH40-13003 Ручка зажима струбцины

Под заказ

2

Под заказ

уточнить

Купить
4 15FMH-13012 Шайба-площадка зажима струбцины

Под заказ

2

Под заказ

уточнить

Купить
5 PNFMH40-13005 Штифт ручки зажима

Под заказ

2

Под заказ

уточнить

Купить
6 PNFMH40-13006 Скоба струбцины правая

Под заказ

1

Под заказ

уточнить

Купить
7 PNFM40E-13003 Заглушка стопора

Под заказ

1

Под заказ

уточнить

Купить
8 PNFM40E-13005 Штифт стопора подъема

Под заказ

1

Под заказ

уточнить

Купить
9 PNFMH40-13014 Втулка

Под заказ

1

Под заказ

уточнить

Купить
10 PNFMH40-13015 Болт

Под заказ

1

Под заказ

уточнить

Купить
11 PNFM40E-06010 Гайка

Под заказ

1

Под заказ

уточнить

Купить
12 PNFMH40-13017 Шайба пружинная

Под заказ

1

Под заказ

уточнить

Купить
13 PNFMH40-13018 Кронштейн шарнирный S

Под заказ

1

Под заказ

уточнить

Купить
14 15FMH-14001 Штуцер

Под заказ

3

Под заказ

уточнить

Купить
15 PNFM40E-13009 Трубка под рулевой трос

Под заказ

1

Под заказ

уточнить

Купить
16 PNFM40E-13010 Втулка

Под заказ

2

Под заказ

уточнить

Купить
17 PNFM40E-13011 Шайба втулки

Под заказ

2

Под заказ

уточнить

Купить
18 15FMH-13017 Пластина

Под заказ

1

Под заказ

уточнить

Купить
19 15FMH-13018 Гайка самоконтрящаяся

Под заказ

2

Под заказ

уточнить

Купить
20 PNFM40E-13013 Колпачок вала струбцин

Под заказ

2

Под заказ

уточнить

Купить
21 PNFMH40-13026 Ограничитель наклона мотора

Под заказ

2

Под заказ

уточнить

Купить
22 PNFMH40-13027 Втулка

Под заказ

2

Под заказ

уточнить

Купить
23 PNFMH40-13028 Шайба

Под заказ

2

Под заказ

уточнить

Купить
24 PNFMH40-13029 Шайба

Под заказ

2

Под заказ

уточнить

Купить
25 PNFMH40-13030 Болт

Под заказ

2

Под заказ

уточнить

Купить
26 PNFMH40-13031 Шайба

Под заказ

2

Под заказ

уточнить

Купить
27 PNFMH40-13032 Гайка самоконтрящаяся

Под заказ

2

Под заказ

уточнить

Купить
28 PNFMH40-13033 Штифт

Под заказ

2

Под заказ

уточнить

Купить
29 PNFMH40-13034 Втулка

Под заказ

1

Под заказ

уточнить

Купить
30 PNFMH40-13035 Штифт

Под заказ

1

Под заказ

уточнить

Купить
31 PNFMH40-13036 Втулка

Под заказ

1

Под заказ

уточнить

Купить
32 PNFM40E-13017 Кольцо стопорное

Под заказ

2

Под заказ

уточнить

Купить
33 PNFMH40-13039 Рычаг поворотный в сборе

Под заказ

1

Под заказ

уточнить

Купить
34 PNFMH40-13040 Втулка

Под заказ

1

Под заказ

уточнить

Купить
35 PNFMH40-13041 Втулка

Под заказ

1

Под заказ

уточнить

Купить
36 PNFMH40-13042 Кольцо стопорное

Под заказ

1

Под заказ

уточнить

Купить
37 PNFMH40-13043 Штифт

Под заказ

1

Под заказ

уточнить

Купить
38 PNFMH40-13044 Втулка

Под заказ

1

Под заказ

уточнить

Купить
39 PNFMH40-13045 Кольцо стопорное

Под заказ

1

Под заказ

уточнить

Купить
40 PNFMH40-13046 Упор в сборе

Под заказ

1

Под заказ

уточнить

Купить
41 PNFMH40-13047 Пружина

Под заказ

1

Под заказ

уточнить

Купить
42 PNFMH40-13048 Рычаг наклона

Под заказ

1

Под заказ

уточнить

Купить
43 PNFMH40-13049 Винт

Под заказ

1

Под заказ

уточнить

Купить
44 PNFMH40-13050 Тяга замка наклона

Под заказ

1

Под заказ

уточнить

Купить
45 PNFMH40-13051 Скоба замка наклона

Под заказ

1

Под заказ

уточнить

Купить
46 PNFMH40-13052 Скоба замка наклона

Под заказ

1

Под заказ

уточнить

Купить
47 PNFMH40-13053 Рычаг замка наклона

Под заказ

1

Под заказ

уточнить

Купить
48 PNFMH40-13054 Штифт

Под заказ

1

Под заказ

уточнить

Купить
49 PNFMH40-13055 Втулка

Под заказ

1

Под заказ

уточнить

Купить
50 PNFMH40-13056 Штифт

Под заказ

1

Под заказ

уточнить

Купить
51 PNFMH40-13057 Пружина растяжения

Под заказ

2

Под заказ

уточнить

Купить
52 PNFMH40-13059 Болт

Под заказ

1

Под заказ

уточнить

Купить
53 PNFMH40-13060 Пружина

Под заказ

1

Под заказ

уточнить

Купить
54 PNFMH40-13061 Гайка самоконтрящаяся

Под заказ

1

Под заказ

уточнить

Купить
55 PNFMH40-13063 Шайба

Под заказ

8

Под заказ

уточнить

Купить
56 PNFMH40-13065 Гайка

Под заказ

8

Под заказ

уточнить

Купить

Нулевая цена не означает отсутствие товара. Оформите заказ, и менеджер сообщит вам цену и наличие товара, предварительно запросив их у поставщика

Главная Магазины
Корзина0
Профиль